Polnische (und schlesische) Piasten

Abbildung 5.1 und 5.2

Abkürzungen: ~600 um 600, a. d. an der, Abd. Abdankung, Abh. Abhängigkeit, -b˘g. -burg, Bf. Bischof, -bg. -berg, Bgf. Burggraf, Bm. Bistum, d. Ä. d. Ältere, d. Ju. d. Junge, d. Jü. d. Jüngere, dt. deutsch, Ebf. Erzbischof, Ebm. Erzbistum, Ehz. Erzherzog, Fsm. Fürstentum, Fst. Fürst, Gf. Graf, Gfn. Gräfin, Gft. Grafschaft, Ghz. Großherzog, Ghzn. Großherzogin, Hz. Herzog, hzgl. herzöglich, Hzm. Herzogtum, Kf. Kurfürst, Kfm. Kurfürstentum, Kg. König, kgl. königlich, Kgn. Königin, Kgr. Königreich, Ks. Kaiser, Kurw. Kurwürde, Lgf. Landgraf, Mgf. Markgraf, Mgft. Markgrafschaft, n. 992 nach 992, Nied. Nieder-, Ob. Ober-, P.U./PU Personalunion, Pfg. Pfalzgraf, Pr./Prz. Prinz, Prät. Prätendent, Przr. Prinzregent, Reg. Regent(in), Sign. Signore, Sn. Seigneur, Statth./Sth. Statthalter, Thronf. Thronfolger, Unt. Unter-, v. 1045 vor 1045, v. Tirol von Tirol (v. wird dabei oft weggelassen, Bsp.: Gf. Hoya Gf. v. Hoya)

[Erläuterungen siehe Grafische Nomenklatur]

[Abbildung als PDF]

Beschreibung

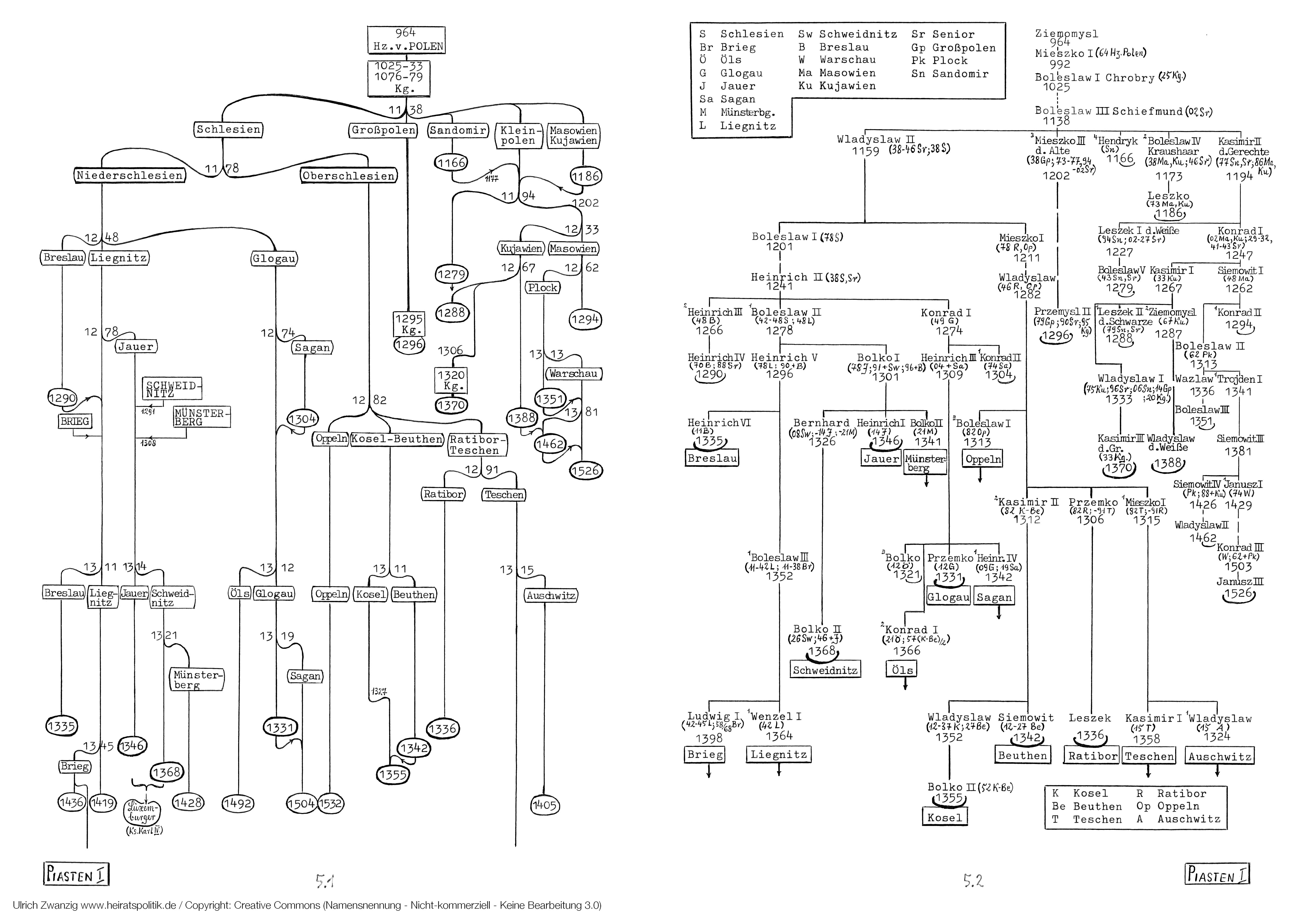
1) Die Piasten: Das polnische Seniorat

Das Hzm. und Kgr. Polen wurde im Mittelalter erst von den Piasten (960-1370), dann von den litauischen Jagiellonen (1386-1572) beherrscht. Im Gegensatz zu den Jagiellonen, die es zeitweise zur ostmitteleuropäischen Hegemonie brachten, war die Herrschaft der Piasten wesentlich auf Polen beschränkt geblieben: Die Familie wirkte in einem klar abgezirkelten Wirkungskreis, und dieser umfaßte Kleinpolen (um Krakau), Großpolen (um Posen), Schlesien (um Breslau), Masowien (um Warschau) und Kujawien (zwischen Warthe und Weichsel).

Die familiäre Verwaltung dieses Gesamtbesitzes erinnert an die des Frankenreichs durch die Karolinger, steht indes sachlich enger in Beziehung zur Großfürstenverfassung des von Ruriks Nachkommen regierten russischen Reiches von Kiew. Diese Verfassung basierte auf einer Art Rotationsprinzip.


In Polen versuchten die Piasten, solch ein Rotationsprinzip in Gestalt des Seniorats zu verwirklichen zu dem Zweck, die Einheit des Gemeinwesens zu festigen. Indes wurde der Zweck in der Folgezeit gründlich verfehlt.

2) Die Piasten: Der schlesische Sonderweg

Rätselhaft erscheint in diesem Zusammenhang der Sonderweg Schlesiens. Nun gilt 1138 als das Jahr der Einführung des Seniorats, nämlich nach dem Tod von Hz. Boleslaw III Schiefmund. Indem sein Sohn Wladyslaw II, der neue Senior, zugleich das schlesische Teilfürstentum inaugurierte, fiel der Beginn Schlesiens zeitlich mit der Einführung des Seniorats zusammen.

Nach Wladyslaws Vertreibung 1146 gelangte das Seniorat an Boleslaw IV von der kleinpolnischen, 1173 an Mieszko III von der großpolnischen, 1177 an Kasimir II von der masowischen Linie. Aber alle diese Abzweigungen weisen in auffallendem Unterschied zur schlesischen keine eindeutige Entsprechung von Gebiet und Linie auf.

Darum auch findet man in den nichtschlesischen Zweigen weder Teilungen, wie sie den schlesischen Zweig in überreichem Maße heimsuchten, noch findet man eine Hauptlinie. Zwar läßt sich die großpolnische Linie bis Przemysl II, der 1295 sogar die Königswürde errang, verfolgen, bis sie mit seinem Tod 1296 erlosch; ferner entsproß Kasimirs II masowischem Zweig, der 1294 mit Konrad II auslief, 1233 ein kujawischer Zweig, der 1388 mit Wladyslaw dem Weißen endete; ferner entließ der kujawische 1267 noch den Seitenzweig von Sandomir, von dem die letzten großen Piastenkönige Wladyslaw I († 1333) und Kasimir d. Gr. († 1370) herkamen, und der masowische 1262 den Seitenzweig von Plozk, von dem seit 1313 die jüngeren masowischen Piasten (bis 1526) herkamen.

Aber alle diese nichtschlesischen Zweige machen eher den Eindruck einer bloßen Umverteilung, während der schlesische von fortlaufender und schließlich exzessiver Aufteilung gekennzeichnet war.