Oldenburger
Abbildung 9.1 und 9.2

Abkürzungen: ~600 um 600, a. d. an der, Abd. Abdankung, Abh. Abhängigkeit, -b˘g. -burg, Bf. Bischof, -bg. -berg, Bgf. Burggraf, Bm. Bistum, d. Ä. d. Ältere, d. Ju. d. Junge, d. Jü. d. Jüngere, dt. deutsch, Ebf. Erzbischof, Ebm. Erzbistum, Ehz. Erzherzog, Fsm. Fürstentum, Fst. Fürst, Gf. Graf, Gfn. Gräfin, Gft. Grafschaft, Ghz. Großherzog, Ghzn. Großherzogin, Hz. Herzog, hzgl. herzöglich, Hzm. Herzogtum, Kf. Kurfürst, Kfm. Kurfürstentum, Kg. König, kgl. königlich, Kgn. Königin, Kgr. Königreich, Ks. Kaiser, Kurw. Kurwürde, Lgf. Landgraf, Mgf. Markgraf, Mgft. Markgrafschaft, n. 992 nach 992, Nied. Nieder-, Ob. Ober-, P.U./PU Personalunion, Pfg. Pfalzgraf, Pr./Prz. Prinz, Prät. Prätendent, Przr. Prinzregent, Reg. Regent(in), Sign. Signore, Sn. Seigneur, Statth./Sth. Statthalter, Thronf. Thronfolger, Unt. Unter-, v. 1045 vor 1045, v. Tirol von Tirol (v. wird dabei oft weggelassen, Bsp.: Gf. Hoya Gf. v. Hoya)
Beschreibung
Oldenburg und europäische Politik
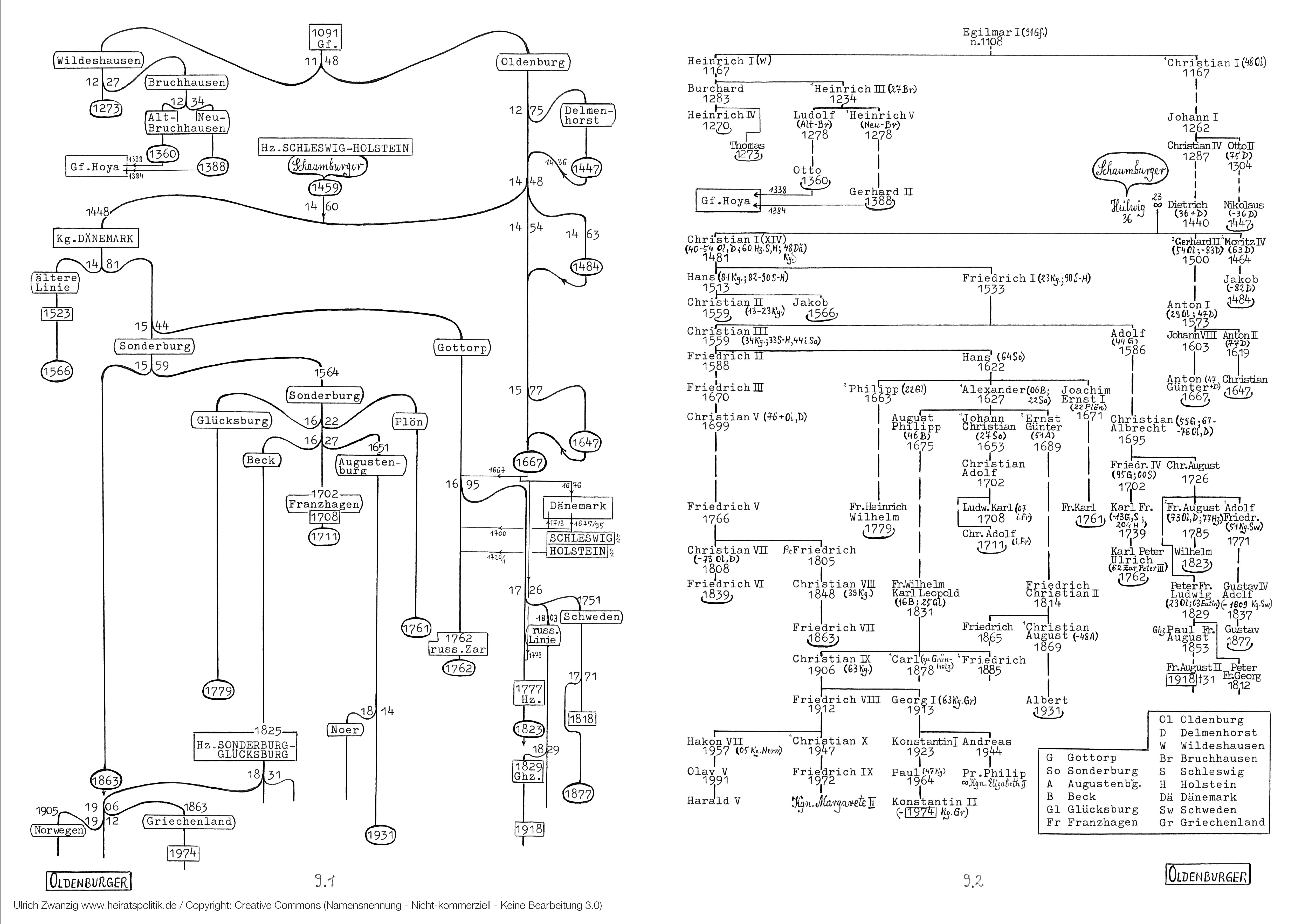
In vier europäischen Ländern haben Mitglieder der Dynastie Oldenburg bis in die neueste Zeit als Prinzen und Monarchen gewirkt: Dänemark, Norwegen, Griechenland, England. Christian XIV bestieg 1448 als erster der Oldenburger den dänischen Thron, der seitdem von ihnen besetzt geblieben ist. Unter den 18 neueren Territorialdynastien des römisch-deutschen Reiches hat keine mit so lang anhaltendem Erfolg den Weg vom regionalen Fürsten zum europäischen Staatsregenten beschritten.
Seit 1448 veränderte sich insgesamt der Zuschnitt der Dynastie. Vorher hatte sie beachtliche Güter vereinigt, und ihre Grafschaft war zu einer bedeutenden Größe am nördlichen Küstenrand des Hzm. Sachsen geworden. Doch nach 1448 geriet sie in den Schatten ihrer in die europäische Politik eingestiegenen dänischen Hauptlinie.
1) Teilung 1148
Dreihundert Jahre zuvor schon hatte Oldenburg als Hauptast einen gewichtigen Ableger hervorgebracht: Gf. Christians I jüngerer Bruder Heinrich I konzentrierte sich 1148 auf Wildeshausen, dessen älterer Sohn 1227 wiederum auf Bruchhausen, wo das lokale Geschlecht um 1200 ausgestorben war. Wildeshausen kam nach Thomas 1273 an den Ebf. v. Bremen, der Zweig Bruchhausen, 1259 gespalten in Alt- und Neubruchhausen, kam nach Otto 1360 bzw. Gerhard II 1388 an die Gft. Hoya.
Dagegen blieb das wichtige Nebenland Delmenhorst den Oldenburgern erhalten: Zwar übernahm es 1275 Otto II mit seinen Nachkommen, aber 1336 nahm Dietrich es vom letzten, Nikolaus, zurück. Allerdings wurde ein Zweig Delmenhorst später zweimal noch wiederbelebt: 1463 und 1577 (bis 1647).
2) Teilung 1448
Dietrichs Söhne nun erlebten die große Veränderung der Dynastie: Als Christian den dänischen Thron 1448 bestieg, überließ er seinem jüngeren Bruder Gerhard II Oldenburg, gewann aber nach dem letzten holsteinischen Schaumburger dessen Gft. Holstein 1460, freilich ohne das Gebiet Pinneberg, das der Stammlinie Schaumburg verblieb (-1640).
Was Kg. Christian I damit gewann, war in Wirklichkeit das Hzm. Schleswig-Holstein. Denn die Schaumburger hatten einerseits ab 1330 die dänische Abhängigkeit Schleswigs gelockert, andrerseits Holstein der dänischen Sphäre nähergerückt, nämlich Schleswig und Holstein ab 1386 de facto staatsrechtlich miteinander verbunden. Insofern können die Schaumburger in diesen Territorien als die Wegbereiter wie auch die Rivalen der Oldenburger angesehen werden.
3) Teilung 1544
Die Regierung Kg. Christians III versetzte Schleswig-Holstein in einen skurrilen Zustand, der zweihundert Jahre währen sollte: Das Herzogtum zerfiel 1544 in drei, später zwei ineinander verschachtelte Bereiche, wobei Christian sich den Bereich Sonderburg vorbehielt und seinem Bruder Adolf den Bereich Gottorp gab.
Adolf baute Gottorp ab 1565 zum selbständigen Herzogtum aus. Die Folge war die Teilung der Länder Schleswig und Holstein in zwei undefinierbare Zonen, wobei gleichwohl beide Länder gemeinschaftlich regiert wurden, König und Herzog jedoch sich darin abwechselten. Der Zustand wurde unhaltbar. Als Friedrich III v. Gottorp 1658 die Dänen aus seinem Anteil Schleswigs wies, rächten sie sich, indem sie seinem Sohn Christian Albrecht 1676 Oldenburg wieder entrissen, dessen Linie mit Anton Günters Tod 1667 zunächst Gottorp zugeflossen war.
Jetzt explodierte die Lage, die Waffen sprachen, und die Dänen beschränkten 1721 Christians Enkelsohn Karl Friedrich v. Gottorp auf seinen Anteil Holsteins. Doch dessen Cousin Friedrich August zog die Linie Gottorp 1773 auch aus Holstein zurück und bekam dafür Oldenburg wieder.
Übrigens hatte Adolf Friedrich, Bruder des letztgenannten, 1751 die schwedische Krone erlangt, und das Haus Gottorp behielt sie bis 1818, als Adolf Friedrichs Sohn Kg. Karl XIII starb und das Haus Bernadotte (bis heute) folgte. Ferner war Karl Friedrichs Sohn, Mann Katharinas d. Großen, 1762 Zar Rußlands, und wenn dieser Peter III Vater des Zaren Paul war, dann gehörten dessen Nachkommen nicht zum Hause Romanow, sondern Oldenburg-Gottorp!
4) Teilung 1622, 1627
Kg. Christians III Sohn Kg. Friedrich II hatte von seiner, der königlichen Linie, die 1863 mit Friedrich VII endete, Sonderburg an seinen Bruder Hans abgegeben, und nach dessen Tod 1622 resultierten fünf Nebenlinien: Glücksburg, Plön, Franzhagen, Beck, sowie Augustenburg, aus welcher 1814 noch der Zweig Noer hervorging.
Die Linien Glücksburg, Plön und Franzhagen waren ausgestorben, als 1825 Friedrich Wilhelm v. Beck Herzog v. Sonderburg-Glücksburg wurde. Im Jahr 1863 bestieg sein Sohn Christian IX den vakanten dänischen, dessen Sohn Georg I den griechischen Thron.
Georg war der Urgroßvater des letzten griechischen Königs Konstantin II (bis 1974) und Großvater Prinz Philips, des Gatten Kgn. Elisabeths II. Ferner wurde ein Enkel Christians IX, Hakon VII, 1905 Kg. v. Norwegen.