Welfen

Abbildung 12.1 und 12.2

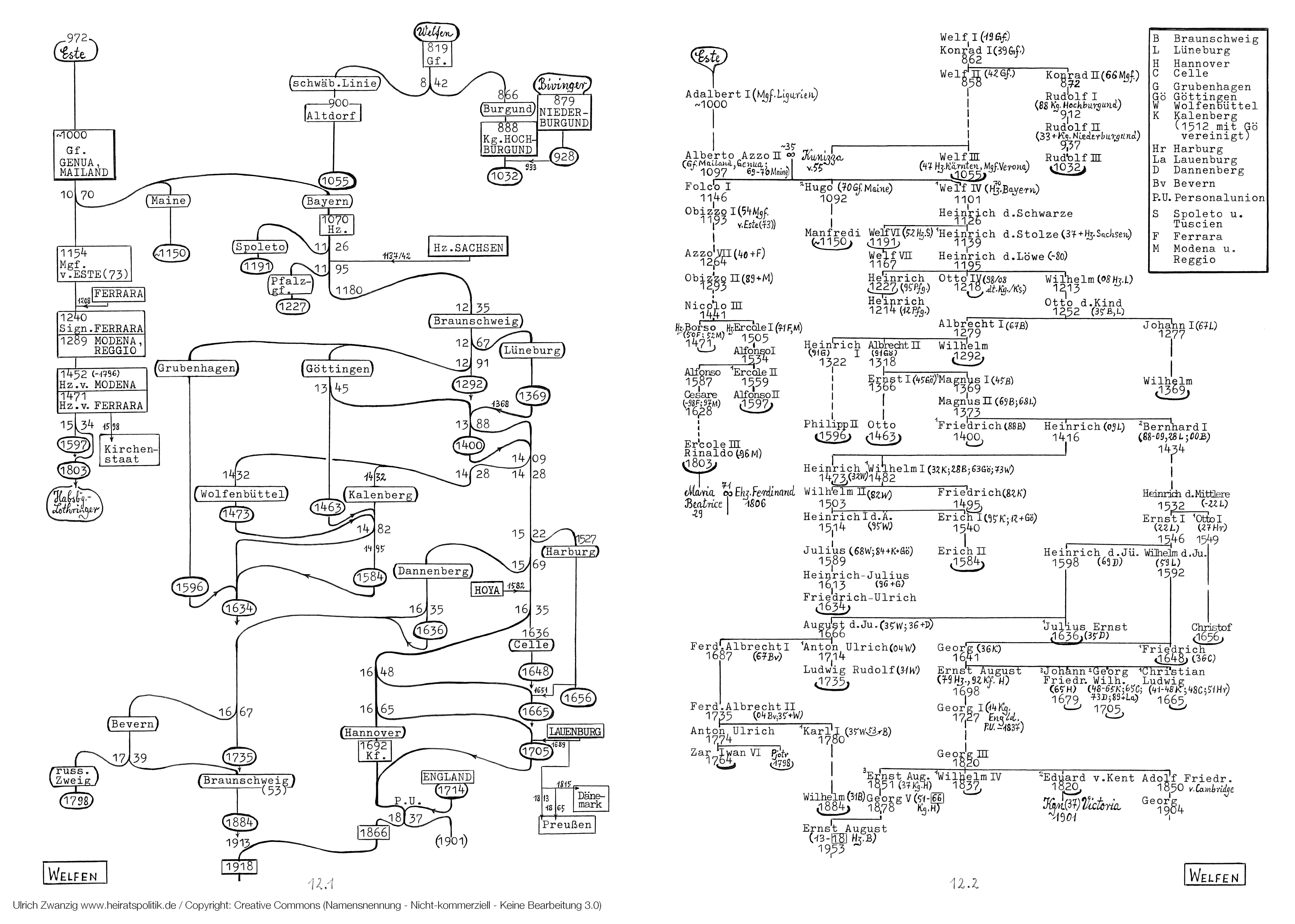
Abkürzungen: ~600 um 600, a. d. an der, Abd. Abdankung, Abh. Abhängigkeit, -b˘g. -burg, Bf. Bischof, -bg. -berg, Bgf. Burggraf, Bm. Bistum, d. Ä. d. Ältere, d. Ju. d. Junge, d. Jü. d. Jüngere, dt. deutsch, Ebf. Erzbischof, Ebm. Erzbistum, Ehz. Erzherzog, Fsm. Fürstentum, Fst. Fürst, Gf. Graf, Gfn. Gräfin, Gft. Grafschaft, Ghz. Großherzog, Ghzn. Großherzogin, Hz. Herzog, hzgl. herzöglich, Hzm. Herzogtum, Kf. Kurfürst, Kfm. Kurfürstentum, Kg. König, kgl. königlich, Kgn. Königin, Kgr. Königreich, Ks. Kaiser, Kurw. Kurwürde, Lgf. Landgraf, Mgf. Markgraf, Mgft. Markgrafschaft, n. 992 nach 992, Nied. Nieder-, Ob. Ober-, P.U./PU Personalunion, Pfg. Pfalzgraf, Pr./Prz. Prinz, Prät. Prätendent, Przr. Prinzregent, Reg. Regent(in), Sign. Signore, Sn. Seigneur, Statth./Sth. Statthalter, Thronf. Thronfolger, Unt. Unter-, v. 1045 vor 1045, v. Tirol von Tirol (v. wird dabei oft weggelassen, Bsp.: Gf. Hoya Gf. v. Hoya)

[Erläuterungen siehe Grafische Nomenklatur]

[Abbildung als PDF]

Beschreibung

1. Zäsur 1055

Das Geschlecht der Welfen erlosch 1055. Bei der unter ihrem Namen bekannten niedersächsischen Territorialdynastie handelt es sich vielmehr um das Haus Este. Die Welfen verhalten sich zu den Este wie die Habsburger zu den Lothringern: Nach dem Erlöschen der ersteren 1740 sind letztere, die Nachkommen Franz Stefans und Maria Theresias, unter dem Namen Habsburger bekannt.


Teilung 1070

Die Nachkommen Alberto Azzos II und Kunizzas indes liefen auf zwei neue Geschlechter hinaus: die Fulc-Este in Italien und die Welf-Este in Deutschland. Denn beide trennten sich, und zwar personell, als 1070 Albertos Sohn Folco sich auf die väterlichen Stammgüter (bei Padua), dessen Bruder Hz. Welf IV aufs mütterliche Erbe (in Schwaben und Bayern) beschränkte, dann auch real, als 1154 Welfs Urenkel Hz. Heinrich d. Löwe auf Este verzichtete.


Fulc-Este (-1803)

Die Este hatten bereits um 1000 als Markgrafen im Raum Genua-Mailand Einfluß gewonnen, und Folcos Sohn Obizzo I stieg aufgrund des Vergleichs mit Heinrich d. Löwen 1154 erneut zum Markgrafen auf. Azzo VII wurde 1240 Signore v. Ferrara. Sein Enkel Obizzo II kam 1289 auch in Modena und Reggio ans Ruder.

Mit Alfonso II starb 1597 die Hauptlinie aus, und sein Cousin Cesare verlor Ferrara an den Kirchenstaat. 1803, als der letzte Fulc-Este, Ercole III, starb, zweigte Habsburg eine Linie Este ab, die Modena und Reggio bis zum Risorgimento (1859) innehatte.


Welfen, Welf-Este (-1055)

Die Welfen hatten sich bereits im frühen Mittelalter profiliert. Von Gf. Welfs I Enkelsohn Welf II ging 842 eine schwäbische Linie aus. Deren letzter Sproß, Welf III, wurde 1047 sogar Hz. v. Kärnten und Mgf. v. Verona, und seine Schwester Kunizza 1055 Stammmutter der bayrischen Herzöge 1070-1180.

Von Welfs II Bruder Konrad II stammten die Könige v. Hochburgund 888-1032. Sein Enkel Kg. Rudolf II gewann 933 Niederburgund hinzu. Dessen Sohn Kg. Rudolf III starb 1032, und durch die Ehe mit seiner Nichte Gisela sicherte Ks. Konrad II sich das Kgr. Burgund (Arelat).


2. Zäsur 1180

Die zweite Zäsur nach 1055 bildete der Sturz Hz. Heinrichs d. Löwen 1180. In Bayern wurde der Weg frei für die Wittelsbacher, in Sachsen für die Askanier, allerdings nur im Osten: Den Kern Sachsens behielt Otto, der Enkel Heinrichs, dadurch, daß Ks. Friedrich II ihn 1235 zum Hz. v. Braunschweig-Lüneburg erhob; und die Welfen entfalteten hier eine Territorialherrschaft, die nicht nur mit den großen Ländern des askanischen Hauses, Brandenburg und Sachsen-Wittenberg, mithalten, sondern auch seinem Absinken zum Kleinfürstenstatus in der Neuzeit entgehen konnte: Am Ende füllten das Kgr. Hannover und Hzm. Braunschweig wieder fast das ganze ehemalige Hzm. Sachsen aus.


Teilung 1267

Ottos Söhne Albrecht I und Johann I begründeten 1267 das Alte Haus Braunschweig bzw. das Alte Haus Lüneburg. Letzteres erlosch 1369; ersteres dauerte in seinem Zweig Grubenhagen bis 1596 fort, während Göttingen, der andere Zweig, 1463 endete.

Zu diesem gehörte Magnus II, der die Kontinuität sicherte: Sein Sohn Bernhard I gründete 1373 das Mittlere Haus Lüneburg, dessen Neffe Wilhelm I 1428 das Mittlere Haus Braunschweig. Letzteres verzweigte sich nach Kalenberg 1432, wo Göttingen 1463 landete, und Wolfenbüttel 1482, wo Kalenberg 1584 und Grubenhagen 1596 landeten; doch 1634 starb mit Friedrich-Ulrich das Mittlere Haus Braunschweig aus.


Teilung 1596

Nun war es das Mittlere Haus Lüneburg, das die Kontinuität sicherte. Zwar endete die Linie Harburg, die Otto (I) von ihm 1522 abgespalten hatte, bereits 1656. Von seinen Neffen Heinrich und Wilhelm aber war 1569 jene Teilung vollzogen worden, die sich als endgültig erweisen sollte: Der Zweig Dannenberg, zu dem 1634 Wolfenbüttel stieß, brachte das Neue Haus Braunschweig hervor, und der Enkel Wilhelms Kf. Ernst August das Haus Hannover.

Mit ihm eröffnete Ernst August die Kurlinie, während seine älteren Brüder in Celle ein Neues Haus Lüneburg begannen, das aber nicht über 1705 hinauskam. Sein Sohn Georg I dagegen wurde Kg. v. England. Die letzten Welfen, die auf Königsthronen saßen, waren Victoria v. England und ihr Cousin Georg V v. Hannover, dessen Staat nach dem Deutschen Krieg 1866 von Preußen annektiert wurde.

Was nun Heinrichs Enkel betrifft, so trennte sich 1667 ein Zweig Bevern von der Linie Wolfenbüttel, die er 1735 beerbte: Karl I zog 1753 von Wolfenbüttel nach Braunschweig um, wo seine Linie 1884 erlosch. Sein Neffe war Zar Iwan VI, der auf Schlüsselburg 1764 starb.