Zähringer
Abbildung 17.1 und 17.2

Abkürzungen: ~600 um 600, a. d. an der, Abd. Abdankung, Abh. Abhängigkeit, -b˘g. -burg, Bf. Bischof, -bg. -berg, Bgf. Burggraf, Bm. Bistum, d. Ä. d. Ältere, d. Ju. d. Junge, d. Jü. d. Jüngere, dt. deutsch, Ebf. Erzbischof, Ebm. Erzbistum, Ehz. Erzherzog, Fsm. Fürstentum, Fst. Fürst, Gf. Graf, Gfn. Gräfin, Gft. Grafschaft, Ghz. Großherzog, Ghzn. Großherzogin, Hz. Herzog, hzgl. herzöglich, Hzm. Herzogtum, Kf. Kurfürst, Kfm. Kurfürstentum, Kg. König, kgl. königlich, Kgn. Königin, Kgr. Königreich, Ks. Kaiser, Kurw. Kurwürde, Lgf. Landgraf, Mgf. Markgraf, Mgft. Markgrafschaft, n. 992 nach 992, Nied. Nieder-, Ob. Ober-, P.U./PU Personalunion, Pfg. Pfalzgraf, Pr./Prz. Prinz, Prät. Prätendent, Przr. Prinzregent, Reg. Regent(in), Sign. Signore, Sn. Seigneur, Statth./Sth. Statthalter, Thronf. Thronfolger, Unt. Unter-, v. 1045 vor 1045, v. Tirol von Tirol (v. wird dabei oft weggelassen, Bsp.: Gf. Hoya Gf. v. Hoya)
Beschreibung
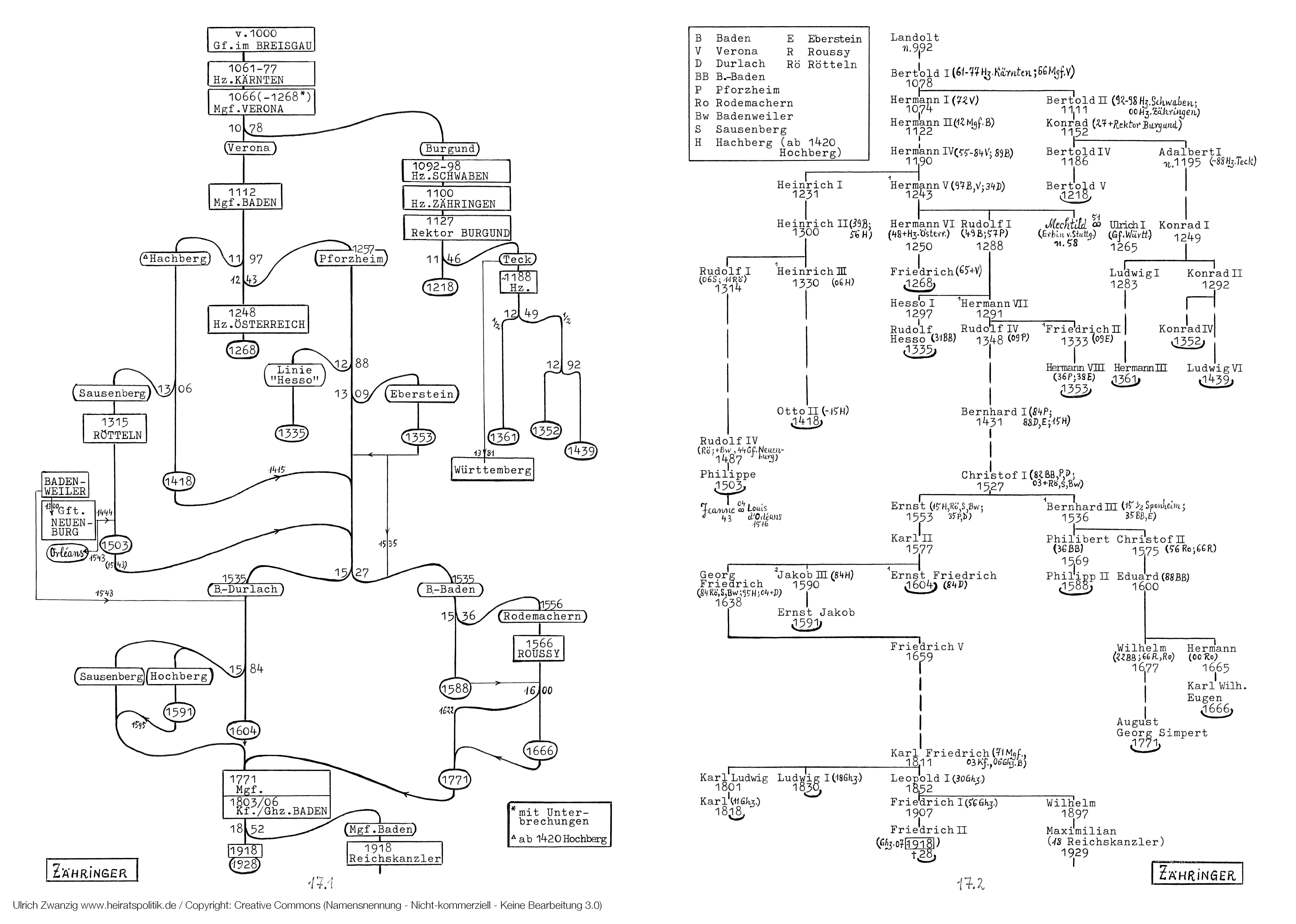
Anfänge der Zähringer
Das Geschlecht der Zähringer hatte bereits im hohen Mittelalter eine beachtliche Laufbahn durchschritten. Landolt, vermutlich ein Sohn Lanzelins vom Stamm der späteren Habsburger, hatte als Gf. im Breisgau begonnen. Sein Enkelsohn Bertold I stieg 1061 zum Hz. v. Kärnten auf und wurde 1066 Mgf. v. Verona. Dessen Sohn Bertold II brachte es 1092 zum Hz. v. Schwaben und sein Sohn Konrad 1127 zum Rektor v. Burgund, der späteren Freigrafschaft.
Aber das Rektorat, das die salischen Kaiser ersonnen hatten, um ihrer Schwäche in Burgund abzuhelfen, erwies sich als Totgeburt. Auch die anderen Ansätze der Zähringer, jenseits der heimatlichen Grenzen Karriere zu machen, führten nicht zu dauerndem Erfolg und blieben Ausflüge in die große Politik.
Auch Hermanns VI Nachfolge als Hz. v. Österreich, wo die Babenberger 1246 geendet hatten, bildete nur ein Intermezzo: Schließlich sicherten sich die Habsburger das Herzogtum.
1) Teilung 1078 in die Linien Verona und Burgund
Im Grunde waren die Zähringer im 12. Jh. schon auf ein Dasein als Regionalfürsten zurückgesunken. Wenn Hermann II seine Burg Baden ab 1112 unter dem Titel eines Markgrafen innehatte, so erinnerte das an die Mark Verona, welche indes nach Bertolds I Tod 1078 bloß formal der Linie seines Sohnes Hermann I verblieb.
Ähnlich verhielt es sich mit dem Titel „Hz. v. Zähringen“: Hermanns I Bruder Bertold II, der die Linie Burgund eröffnete, trug ihn ab 1100 vor allem, um an seine Amtszeit im Herzogtum Schwaben zu erinnern, die 1098 freilich allzu schnell geendet hatte. Und wenn dessen jüngerer Sohn Adalbert I, der nach 1146 die Linie Teck eröffnete, sich nach seiner Burg, von der bis 1152 noch niemand etwas gehört hatte, um 1188 „Herzog v. Teck“ nannte, so vor allem wegen des Prestiges, welches seinem Vater das ehrwürdige, wenngleich erfolglose Rektorat Burgund verschafft hatte.
Die Ausläufer der Linie Teck endeten 1439. Das Herzogtum war bereits 1381 (teilweise) an die Württemberger gefallen: Von deren Familie, nicht von den Zähringern, stammte Mary Teck ab, die Frau Kg. Georgs V und Großmutter Kgn. Elisabeths II v. England (s. 18.1-2).
2) Teilung 1243 (Pforzheim)
Über ihre Linie Verona gelangten die Zähringer in die Neuzeit. 1197 hatte sich von ihr der Zweig Hachberg (seit 1420 Hochberg) getrennt, von diesem 1306 der Zweig Sausenberg, dem 1315 die Herrschaft Rötteln zuwuchs.
Wichtiger aber war der Erwerb Pforzheims 1219 durch Hermann V. Sein jüngerer Sohn Rudolf I konnte damit 1243 die Seitenlinie Pforzheim begründen, die nach 1268 den Hauptstamm fortsetzte.
An sie kehrte der 1309 entstandene Zweig Eberstein bei seinem Erlöschen 1353 zurück, desgleichen Hachberg und Sausenberg 1418 bzw. 1503, so daß die Mgft. Baden wiedervereinigt war.
3) Teilung 1527 (Baden-Baden, Durlach)
Als wichtig erwies sich nun der Erwerb der Herrschaft Durlach. Die Zähringer hatten sie aus dem Besitz der untergegangenen Staufer bezogen. So konnten nach Christofs I Ableben 1527 seine Söhne Bernhard III und Ernst eigene Linien Baden-Baden bzw. Durlach einrichten, die zweimal ausgestattet wurden: 1515 mit Gütern der Sponheimer bzw. mit Hochberg, Sausenberg, Rötteln und Badenweiler; sowie 1535 mit Baden-Baden und Eberstein bzw. mit Pforzheim und Durlach.
Das bedeutete die Aufgliederung Badens 1527 in eine obere und untere Markgrafschaft. Erstere fiel nach dem Tod Philipps II v. Baden-Baden 1588 an den Zweig Rodemachern (1536 abgespalten), der aber mit August Georg Simpert 1771 ausstarb.
Damit konnte Karl Friedrich v. Durlach 1771 die obere mit seiner, der unteren Mgft., wiedervereinigen. Er wurde 1803 Kf., 1806 Ghz. v. Baden. Mit Friedrich II endete das Großherzogtum 1918. Sein Cousin war der letzte Reichskanzler des Kaiserreichs Prinz Max v. Baden.