Württemberger
Abbildung 18.1 und 18.2

Abkürzungen: ~600 um 600, a. d. an der, Abd. Abdankung, Abh. Abhängigkeit, -b˘g. -burg, Bf. Bischof, -bg. -berg, Bgf. Burggraf, Bm. Bistum, d. Ä. d. Ältere, d. Ju. d. Junge, d. Jü. d. Jüngere, dt. deutsch, Ebf. Erzbischof, Ebm. Erzbistum, Ehz. Erzherzog, Fsm. Fürstentum, Fst. Fürst, Gf. Graf, Gfn. Gräfin, Gft. Grafschaft, Ghz. Großherzog, Ghzn. Großherzogin, Hz. Herzog, hzgl. herzöglich, Hzm. Herzogtum, Kf. Kurfürst, Kfm. Kurfürstentum, Kg. König, kgl. königlich, Kgn. Königin, Kgr. Königreich, Ks. Kaiser, Kurw. Kurwürde, Lgf. Landgraf, Mgf. Markgraf, Mgft. Markgrafschaft, n. 992 nach 992, Nied. Nieder-, Ob. Ober-, P.U./PU Personalunion, Pfg. Pfalzgraf, Pr./Prz. Prinz, Prät. Prätendent, Przr. Prinzregent, Reg. Regent(in), Sign. Signore, Sn. Seigneur, Statth./Sth. Statthalter, Thronf. Thronfolger, Unt. Unter-, v. 1045 vor 1045, v. Tirol von Tirol (v. wird dabei oft weggelassen, Bsp.: Gf. Hoya Gf. v. Hoya)
Beschreibung
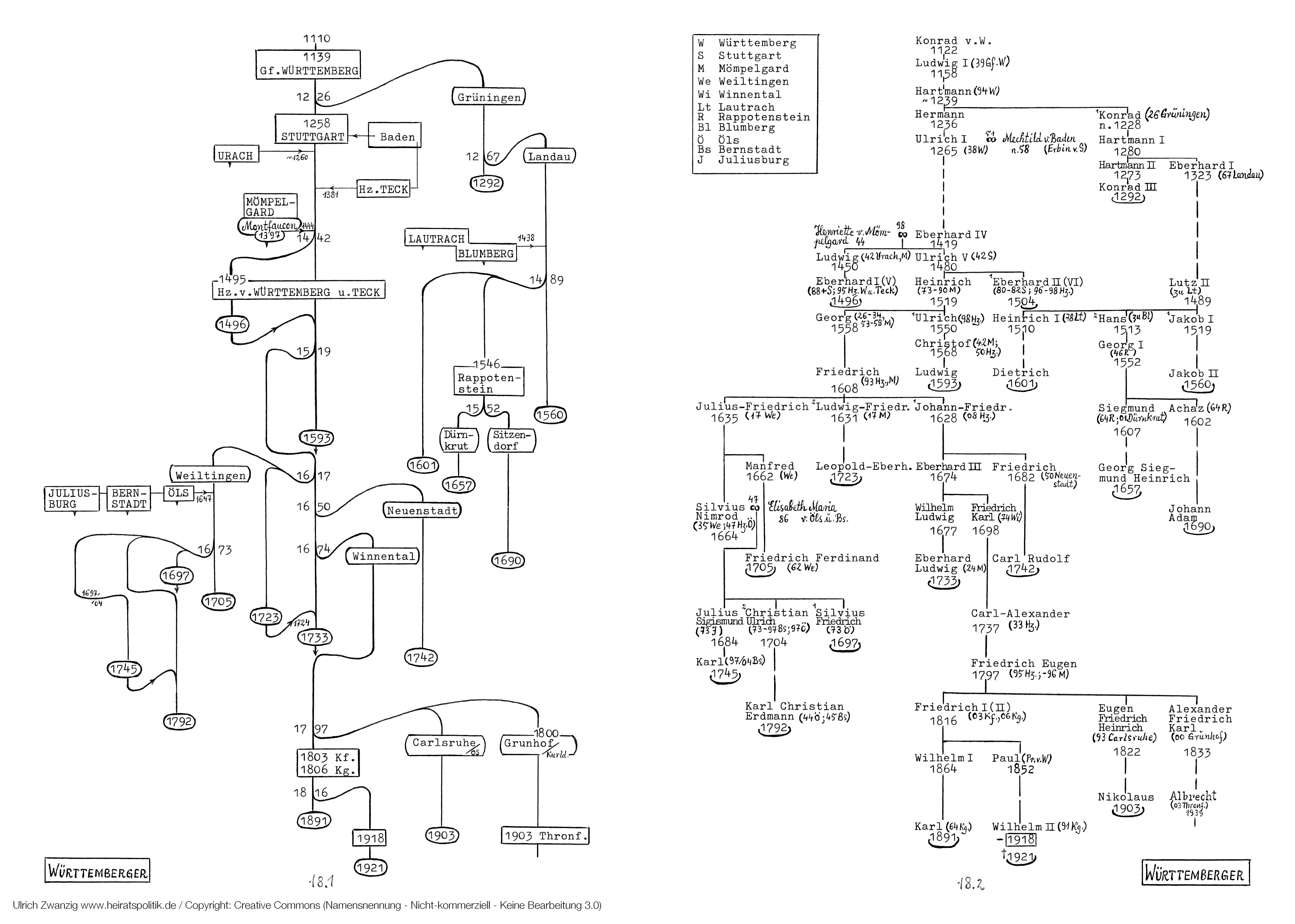
Die Familie der seit 1139 als Grafen amtierenden Württemberger hatte ihre Erwerbungen zu einem Territorium zusammengehäuft, das anfangs des 15. Jh. als größte Grafschaft des Reiches galt.
1. Phase (-1258)
Eine erste Phase der Expansion war 1258, als Gf. Ulrich I sich durch seine Ehe mit Mechtild v. Baden das Gebiet um Stuttgart sicherte, bereits abgeschlossen, und der Aufstieg der Stadt zum Mittelpunkt bestätigte das.
2. Phase (-1520)
Nach 1258 aber wurde für die weitere Expansion der Zusammenbruch der Staufer entscheidend, weil die Grafen nun ungehindert und in schneller Folge schwäbischen Reichsbesitz beschlagnahmen konnten, so daß sie Schwaben kontrollierten und dort de facto als Nachfolger der Staufer auftraten.
Eingeleitet wurde diese 2. Phase vom Kauf Urachs nach dem Ende 1261 der örtlichen Grafen, abgeschlossen von Gf. Eberhards IV Ehe mit der Erbtochter Henriette aus dem Haus Montfaucon, die ihm 1397 Mömpelgard einbrachte.
3. Phase (ab 1534)
1495 wurde Württemberg zum Herzogtum erhoben, doch unter Hz. Ulrich in Wirren gestürzt, die sogar zur Aufhebung (von 1520 bis 1534) führten. Mit der Wiederherstellung des Hzm. 1534 begann die 3. Phase, die seit dem Dreißigjährigen Krieg von Niedergang gekennzeichnet war.
1) Teilung 1226
Gf. Hartmanns älterer Sohn Konrad eröffnete 1226 einen Seitenzweig Grüningen, der sich bis 1292 hielt und 1267 einen weiteren, den Zweig Landau (-1560), hervorbrachte. Dessen Ableger Blumberg hatte bemerkenswerterweise seit 1546 in Niederösterreich (Rappotenstein, Dürnkrut, Sitzendorf) ein Wirkungsfeld. (Vielleicht hing das damit zusammen, daß Württemberg nach seiner Restitution 1534 gleichwohl Lehen Österreichs blieb.)
Eher symbolische Bedeutung hatte die teilweise Erwerbung 1381 des Hzm. Teck von Baden. Der Name Teck gehörte seit 1495 zum Herzogstitel, und 1873 erhielt Franz, ein Großneffe Kg. Friedrichs v. Württemberg, den Titel „Hz. v. Teck“. Seine Tochter war Mary Teck, die Frau Kg. Georgs V und Großmutter Kgn. Elisabeths II v. England.
2) Teilungen 1617, 1650, 1674
Der Hauptast endete mit Hz. Eberhard Ludwig 1733, wurde aber vom 1674 abgespaltenen Ast Winnental weitergeführt. Davor hatte sich 1650 Neuenstadt abgespalten (-1742), und noch davor 1617 die Zweige Mömpelgard und Weiltingen.
Mömpelgard kehrte nach 1723 an den Hauptast zurück, während der Zweig Weiltingen die Württemberger bis nach Schlesien brachte: Ihm gehörte jener Silvius Nimrod an, der die Erbtochter Elisabeth Maria v. Öls und Münsterberg ehelichte, so daß diese schlesischen Fürstentümer von der Familie Podiebrad an ihn übergingen. Sie blieben in der Hand seines Nebenzweiges bis 1792 (vgl. 5.3-4).